We are here: [ home ] -> tama_ts305

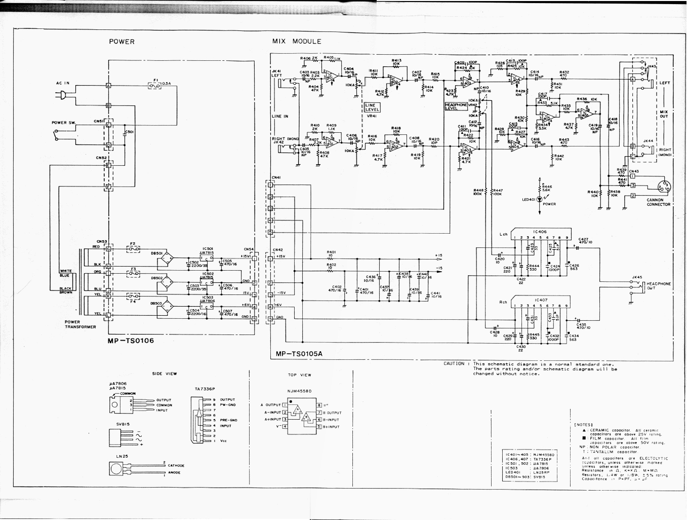
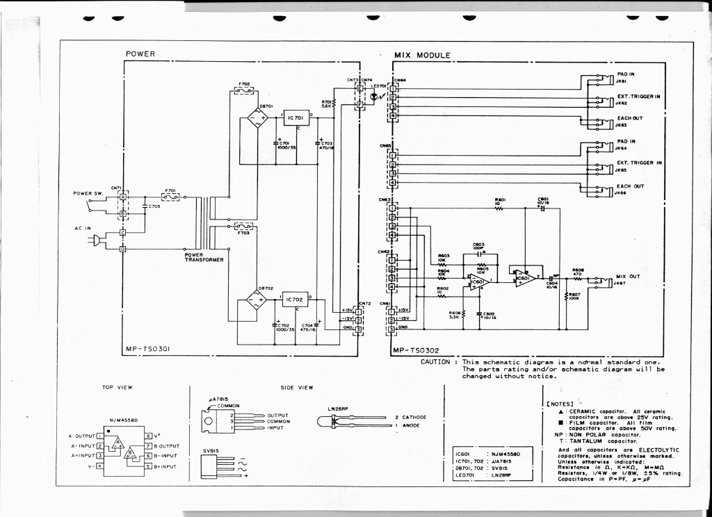
TAMA 305 - Schematics


Picture from http://www.cykong.com

This page is rough and dirty -> some folks from synth-diy mailling list asked for the schemoes.
The originals of these scans are copies, done bye a kind technician at Meinl, the distributor of Tama in Germany.

I scanned this with 300 dpi.


Chi Yan Kong provides some great modifications on his website: http://www.cykong.com/Synths/Tama%20TS-305/TamaTS305-MIDI.htm

to top of document


© florian anwander Mar. 2001