We are here: [ home ] -> roland_system700


Roland System 700

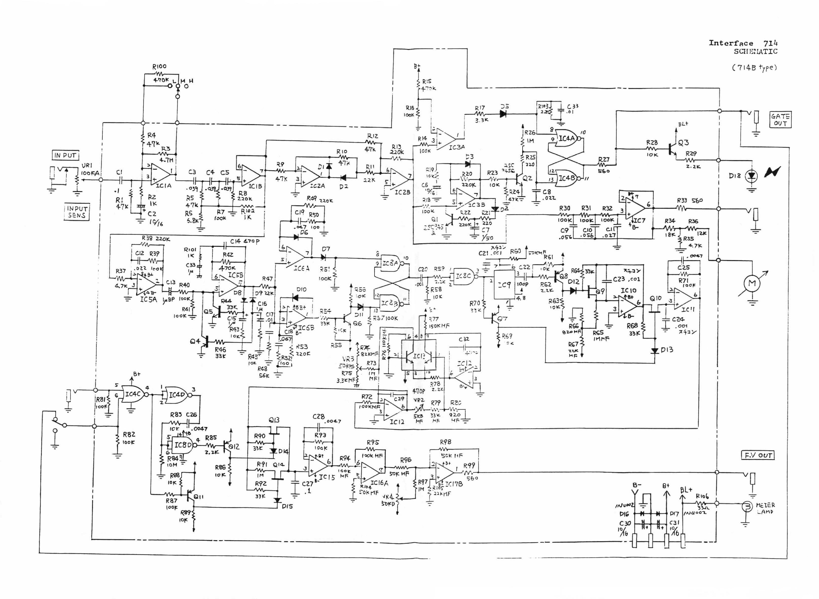
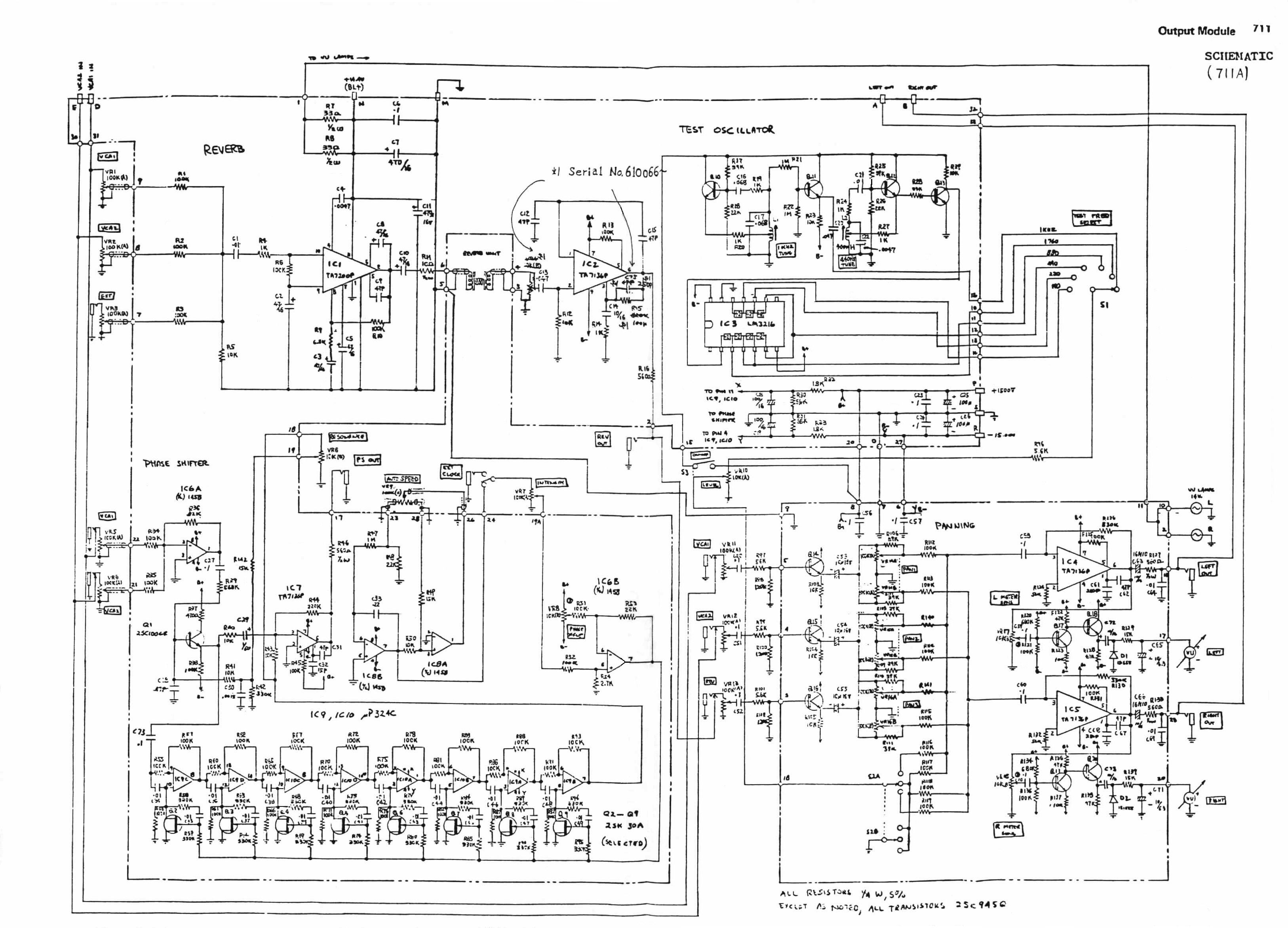
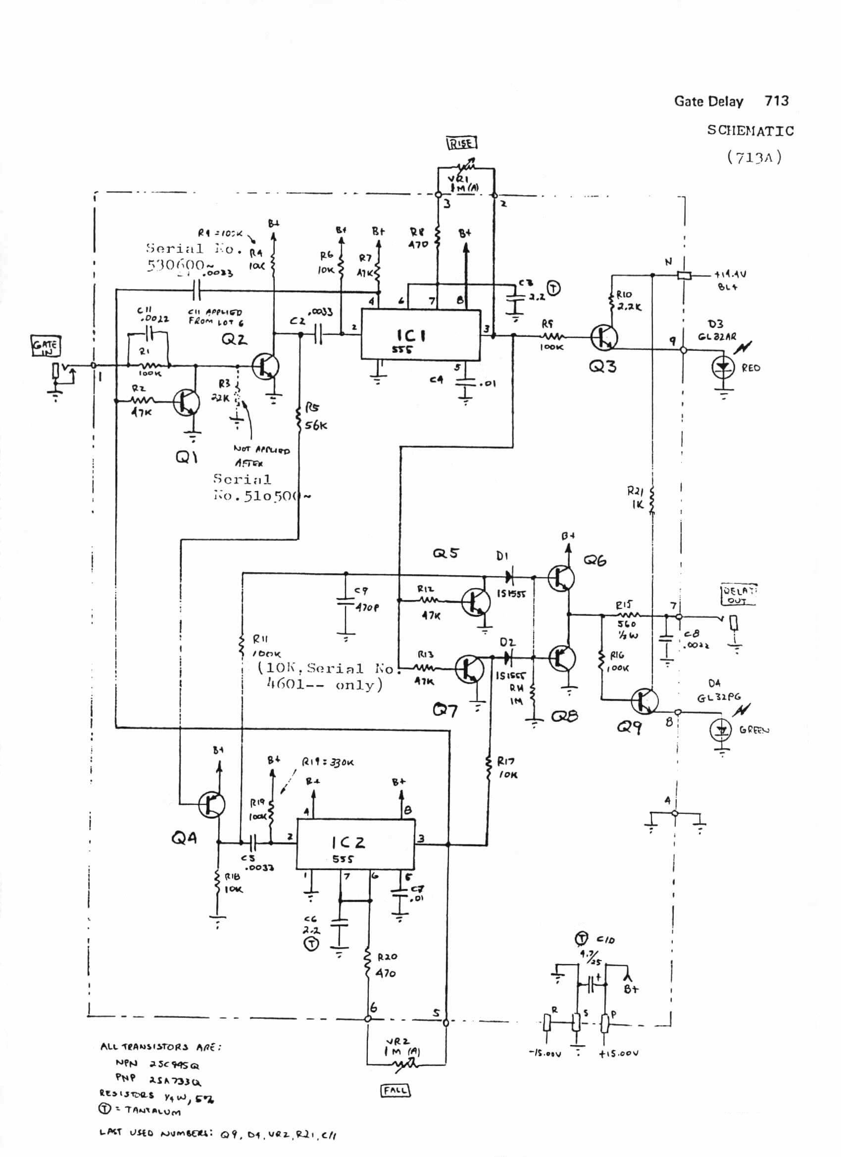
This is a list of the modules from the service manual and the links to the scans of the corresponding schematics. REMARK: I do not own a System 700 and never owned one. I only host theses scans of the System 700 on my web site. I can NOT ANSWER any question like "can you tell me the partnumber of switch blah?" or "what is the pinout of connector XYZ?". All I could do is having a look at these files. And this is, what you can do too. ;-)

I did not get the 718 power switch and the regulator board schematic.

There are some pictures (not available in the net) of 700 modulars with a pair modules in the bottom corners of the main block, so maybe that accounts for one of the missing numbers in the sequence.

The blocks numbers of the racks are:
  • Block 1 - Main Console
  • Block 2 - Keyboard
  • Block 3 - Sequencer
  • Block 4 - VCOs
  • Block 5 - VCF/VCAs
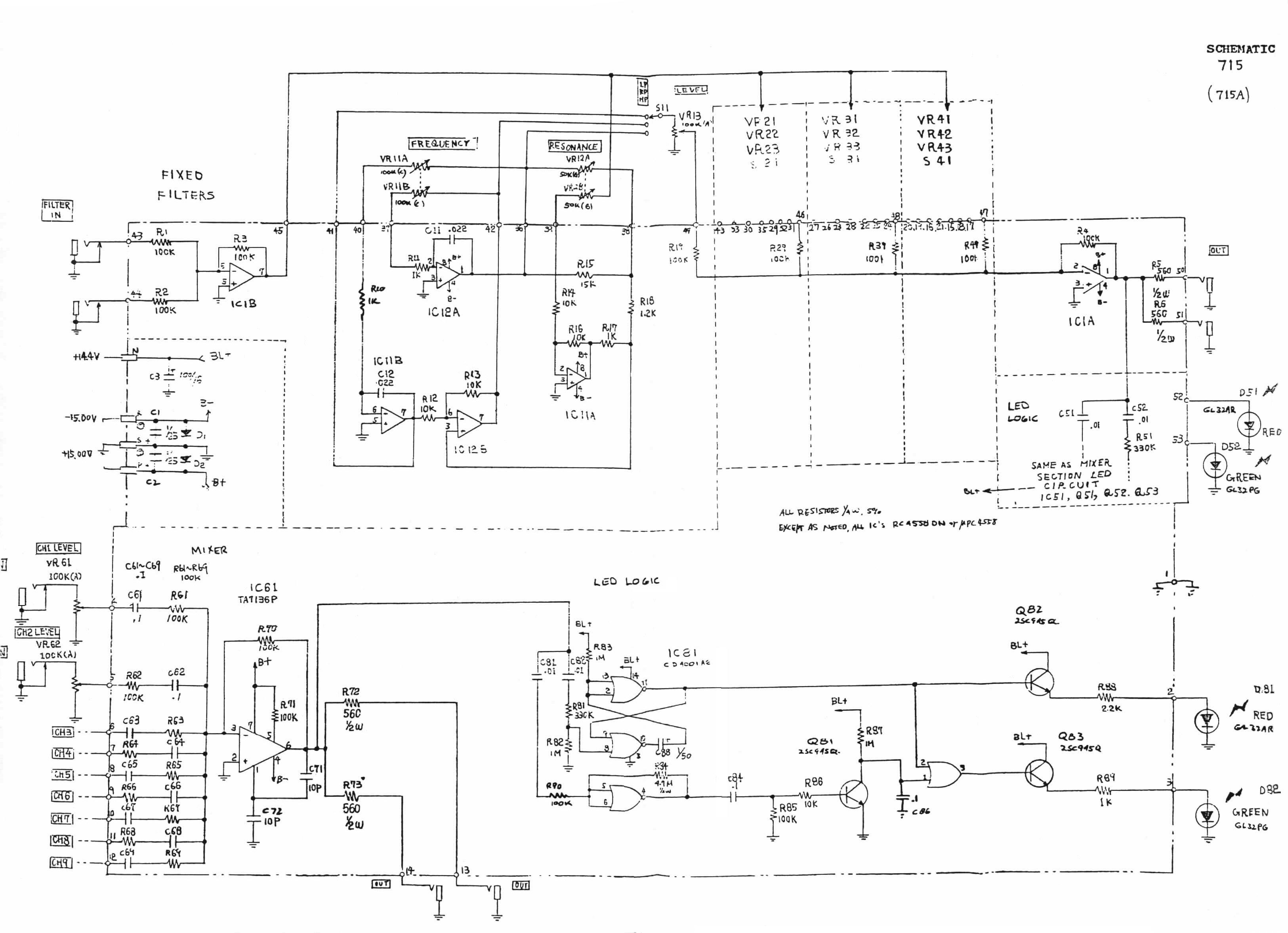
  • Block 6 - Fixed Filters/F-V Converter
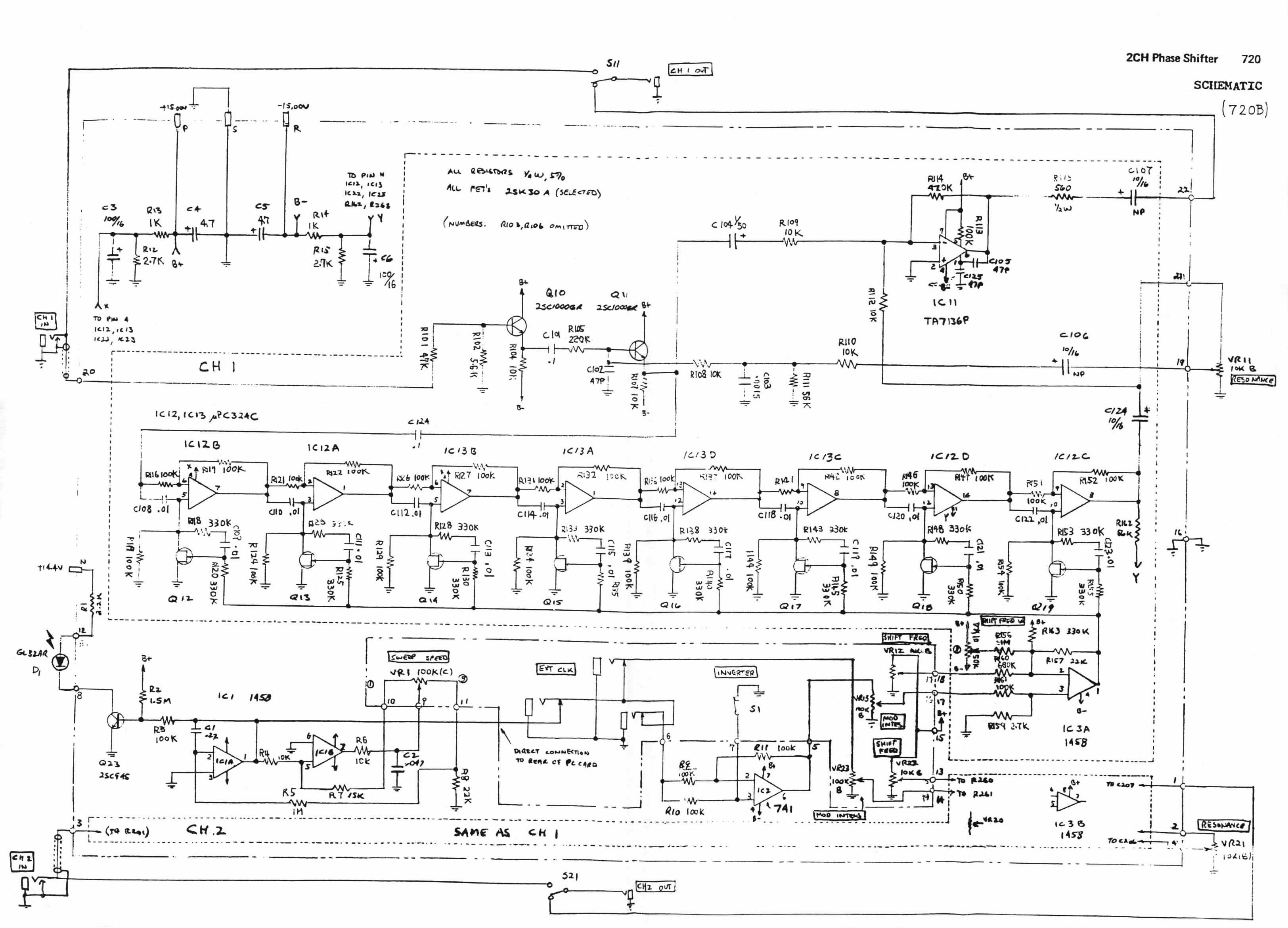
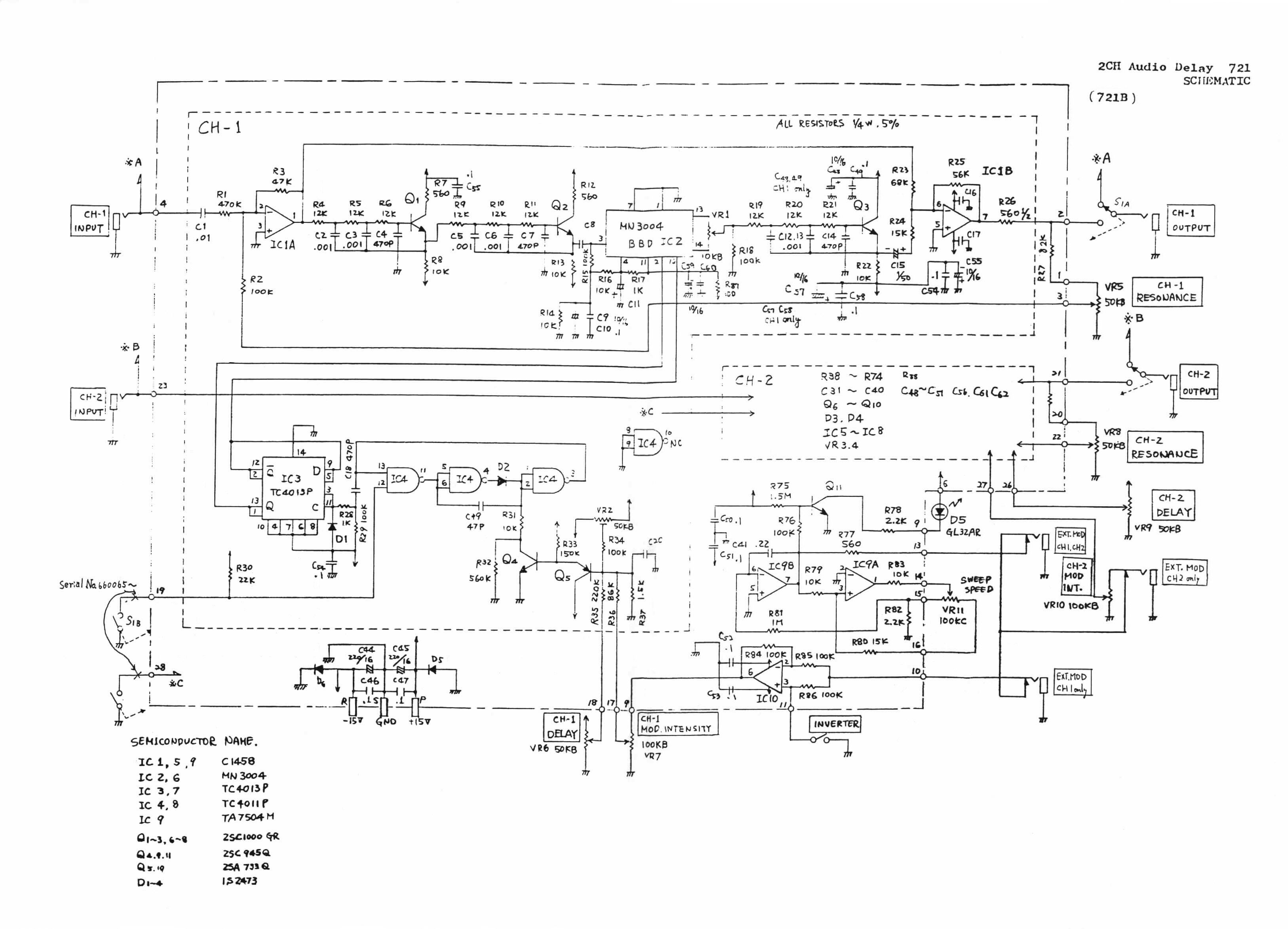
  • Block 7 - Delay/Phaser/Switches/Mults.
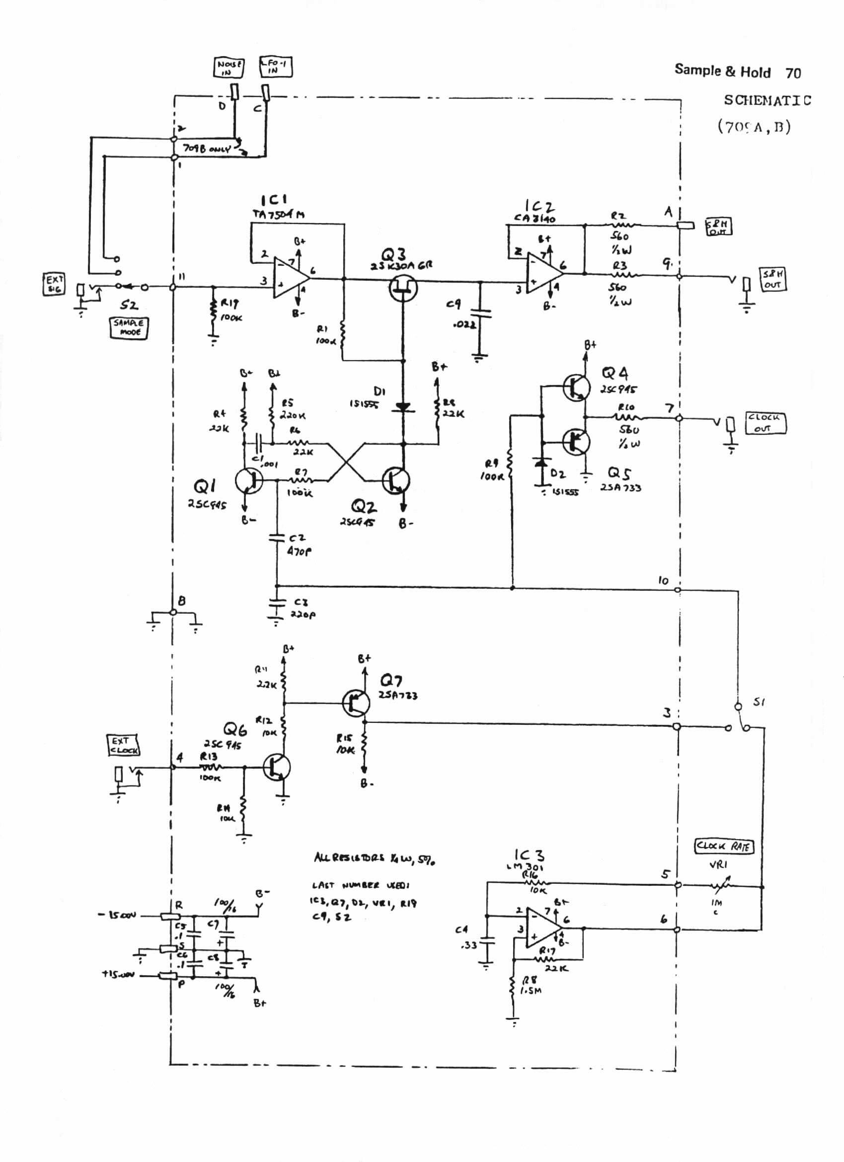
  • Block 8 - Lab System

to top of document


© florian anwander Jun. 2001